Eltako DSZ15D-3X80A-MID
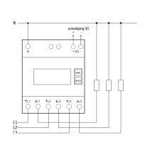
Contor trifazat CALIBRAT Curent maxim 3x80A, pierdere în standby doar 0,5 wați pe cale. Dispozitiv de montaj modular pentru montare pe șină de montaj SR -EN 60715 TH35. 4 unități de pas = 70 mm lățime, 58 mm adâncime. Clasa de precizie B (1%). Cu interfață S0. Contorul trifazat cu măsurare directă măsoară energia activă pe baza curenților care circulă între intrări și ieșiri. Autoconsumul de maxim 0,5 wați .Clasa de precizie B (1%). Cu interfață S0. Contorul trifazat cu măsurare directă măsoară energia activă pe baza curenților care circulă între intrări și ieșiri. Autoconsumul de maxim 0,5 wați putere efectivă pe cale nu este măsurat și nu este afișat. Pot fi conectate conductoare cu 1, 2 sau 3 faze cu curenți de până la 80 A. Curentul de pornire este de 4OmA. 
| marca | Eltako |
| Denumirea producatorului | DSZ15D-3X80A-MID |
| Numărul articolului furnizorului | 28380015 |
| GTIN/EAN | 4010312501634 |
| clasa de articole | contor electric |
| număr de cifre | 7 |
| tipul de afișare | digital |
| execuţie | măsurare directă |
| Executarea interfeței | alte |
| Larg | 70 |
| Lățimea în unități de pas | 4 |
| Semnătura EDL40 | - |
| tip de energie | putere activă |
| frecvență | 50 |
| calibrat | da |
| Potrivit pentru | Relație |
| clasa de precizie | B |
| Înălţime | 82 |
| tip impuls | S0 |
| ieșire în impuls | optic |
| pulsul | 1000 |
| Curent maxim (Imax) | 80 |
| Profil de sarcină tip măsurare | - |
| Cu cod de blocare | - |
| tip de montare | REG |
| Tensiune nominală (Un) LL | 400 |
| Tensiune nominală (Un) NL | 230 |
| Curent nominal (In) | 10 |
| arta polara | cu patru fire |
| backstop | da |
| protectie IP) | IP20 |
| Grad de protecție (NEMA) | - |
| executarea tarifului | tarif dublu |
| controlul tarifelor | extern |
| adâncime | 58 |
| Permite | Directiva Instrumente de Măsurare |
| Numărul tarifului vamal | 90283019 |
| Conform RoHS | CONFORM |
Informațiile de mai jos te ajută să înțelegi condițiile de livrare și retur și să alegi cea mai potrivită opțiune pentru comanda ta.
Ex: termene de livrare, costuri, condiții de retur și recomandări pentru recepția coletului.
No customer reviews for the moment.