Filtru
Categorii
Producător
Achiziție Multipla
Ambalaj in m.
Culoare
Culoare lumină
Curentul Nominal 1
Lungime cablu
Lungime scară
Mar. Hexagon
Mărimea
Model Cablu NR/R
Număr module rama
Optiuni
Tip conectare
Curent rezidual nominal (A)
Capacitate nominală de comutare Icn conform EN 60898
Capacitate nominală de comutare conform EN 60947-2
Curentul Nominal (In)
Tensiunea nominală (V)
Lățimea in Module
Adâncimea de instalare
Clasa de limitare a energiei
Tipul curentului rezidual
Frecventa (Hz)
Nr. Poli
Protecție IP
Comutarea conductorului neutru
Nr. Poli Protejați
Număr Rânduri
Număr Poziții
Tip Pozare
Identificarea Conductorului
Numărul de conductoare
Tipul de ambalaj
Secțiunea nominală a conductorului (mm²)
Tipul Producatorului
Fără halogeni conform EN 50267-2-2
Tipul de Montare
Tip Cablu
Numărul de Poli
Numărul de module
Tratament antibacterian
Selectiv

cumpărături după categorie

Acasa

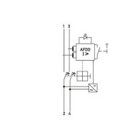
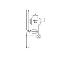
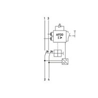
Eaton Eaton AFDD , 2 poli , Tip A ,B16A/ 30mA protecție împotriva...
Eaton 187204Întrerupător de protecție împotriva incendiilor de înaltă calitate (AFDD) în combinație cu un Fi/LS (RCBO) independent de tensiunea rețelei, indicator de poziție a contactului roșu-verde, ajutor terminal - în spatele protecției prizei, glisier de blocare tristabil - permite extinderea dintr-un ansamblu de bare colectoare existent, O gamă...
696,38 lei Preț obișnuit 791,34 lei
Doepke AFDD DOEPKE 1+N pol , Tip A ,B16A cu 30mA protecție împotriva...
Dispozitivele de protecție la arc electric (AFDD) reduc riscul de incendiu cauzat de defectele instalațiilor electrice. Acestea dezactivează partea afectată a sistemului atunci când apar arcuri seriale și paralele. Conform DIN VDE 0100-420, acestea sunt necesare pentru dormitoare și camere comune în centre de zi, cămine de bătrâni și apartamente...
767,14 lei
Doepke AFDD DOEPKE 1+N pol , Tip A ,B10A 30mA protecție împotriva...
Unitățile AFD, (AFDD) reduc riscul de incendiu din cauza defecțiunilor instalației electrice. Când apar defecțiuni de arc în serie și paralele, acestea opresc partea afectată a sistemului. Conform DIN VDE 0100-420, acestea sunt obligatorii pentru dormitoare și saloane din grădinițe, case de bătrâni și apartamente fără bariere, precum și în spațiile...
933,43 lei
Eaton Protecție la incendiu Eaton AFDD , 2 poli , Tip A ,B10A/ 30mA...
Eaton 187168Întrerupător de protecție împotriva incendiilor de înaltă calitate (AFDD) în combinație cu un Fi/LS (RCBO) independent de tensiunea rețelei, indicator de poziție a contactului roșu-verde, ajutor terminal - în spatele protecției prizei, glisier de blocare tristabil - permite extinderea dintr-un ansamblu de bare colectoare existent, O gamă...
1.129,17 lei
Hager Hager ARF910 Întreruptor de protecție împotriva incendiilor ,...
Dispozitiv de protecție împotriva arcului electric AFDD cu FI-LS 1P+N 6kA B-10A 30mA Tip A 3M.AFDD conform DIN EN 62606 (VDE 0665-10), combinat cu comutator FI/LS 1P+N conform DIN EN 61009-1 (VDE 0664-20), DIN EN 61009-2-1 (VDE 0664-21), cu monitorizare curent rezidual tip A (30 mA), cu terminal QuickConnect conform DIN EN 60898-1 (VDE 0641-11), albastru...
1.524,60 lei
ABB Dispozitiv de detectare a defectelor de arc electric AFDD ABB...
Dispozitiv de protecție împotriva arcului electric (AFDD) cu comutator FI/LS (RCBO) conform IEC/EN 62606 (VDE 0665-10) și IEC/EN 61009-1 (VDE 0664-20), IEC/EN 61009-2-1 ( VDE 0664-21) asigură protecție împotriva defecțiunilor arcului în serie și paralel, protecție împotriva supracurentului (suprasarcină sau Scurtcircuit), protecție pentru curenți...
1.585,10 lei