Filtru
Categorii
Producător
Achiziție Multipla
Ambalaj in m.
Culoare
Culoare lumină
Curentul Nominal 1
Lungime cablu
Lungime scară
Mar. Hexagon
Mărimea
Model Cablu NR/R
Număr module rama
Optiuni
Tip conectare
Curent rezidual nominal (A)
Capacitate nominală de comutare Icn conform EN 60898
Capacitate nominală de comutare conform EN 60947-2
Curentul Nominal (In)
Tensiunea nominală (V)
Lățimea in Module
Adâncimea de instalare
Clasa de limitare a energiei
Tipul curentului rezidual
Frecventa (Hz)
Nr. Poli
Protecție IP
Comutarea conductorului neutru
Nr. Poli Protejați
Număr Rânduri
Număr Poziții
Tip Pozare
Identificarea Conductorului
Numărul de conductoare
Tipul de ambalaj
Secțiunea nominală a conductorului (mm²)
Tipul Producatorului
Fără halogeni conform EN 50267-2-2
Tipul de Montare
Tip Cablu
Numărul de Poli
Numărul de module
Tratament antibacterian
Selectiv

cumpărături după categorie

Acasa

Citel Protecție la supratensiune pentru iluminat cu LED-uri...
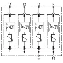
Descărcător combinat cu 4 poli tip 2 + 3 (C + D) pentru rețele de 230 V TT (3 + 1). Max. Curent de descărcare - Imax pe pol: 10 kA. Tensiune combinată - Uoc: 10 kV. Afișarea funcției/defectelor prin semnalizare optică (LED). Dacă dispozitivul este defect, acesta este deconectat de la rețea. Conexiune prin cablu de conectare (cablat). Grad de protectie...
297,54 lei
Citel Descărcător cu 3 poli tip 2 (C) pentru 23 275 V AC
Descărcător cu 3 poli tip 2 (C) pentru rețele TNC de 230 V (3 + 0). Descărcător de supratensiune fără curent de urmărire a liniei pentru utilizare în subdistribuție. Max. Curent de descărcare - Imax pe pol: 40 kA. Mai ușor. Schimbarea modulului de protecție fără instrumente datorită construcției din 2 părți. Afișarea funcției/defectelor printr-o fereastră...
439,76 lei
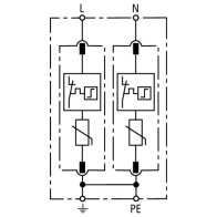
Citel Descărcător de supratensiune 1000VDC 2 poli tip 2
Descărcător de supratensiune cu 2 poli tip 2 (C) pentru aplicații fotovoltaice de 1000 V. Conexiune în Y rezistentă la defecțiuni realizată din varistoare de înaltă performanță și eclator umplut cu gaz. Curent de scurgere fără curent. design nesuflante. Max. Curent de descărcare - Imax pe pol: 40 kA. Afișarea funcției/defectelor prin fereastra de...
556,60 lei
Citel Descărcător Citel , 4 poli, tip 2/230 V AC
Descărcător cu 4 poli tip 2 (C) pentru rețele TNS de 230 V (4 + 0). Descărcător de supratensiune fără curent de urmărire a liniei pentru utilizare în subdistribuție. Max. Curent de descărcare - Imax pe pol: 40 kA. Mai ușor. Schimbarea modulului de protecție fără instrumente datorită construcției din 2 părți. Afișarea funcției/defectelor printr-o fereastră...
556,72 lei
Weidemuller Descărcător protecție supratensiune pentru fotovoltaice...
Descărcător de supratensiune cu 2 poli tip 2 (C) pentru aplicații fotovoltaice de 1000 V. Conexiune în Y rezistentă la defecțiuni realizată din varistoare de înaltă performanță și eclator umplut cu gaz. Dispozitiv pentru protecția la supratensiune în inginerie electrică și alimentare. Dispozitivul trebuie instalat aproape de alimentatorul sistemului de...
580,80 lei
Citel Descărcător cu 4 poli tip 275 V AC
Descărcător cu 4 poli tip 2 (C) pentru rețele TT de 230 V. Descărcător de supratensiune fără curent de urmărire a liniei pentru utilizare în subdistribuție. Max. Curent de descărcare - Imax pe pol: 40 kA. Afișarea funcției/defectelor prin fereastra de vizualizare optică și semnalizare de la distanță. Montare pe o șină de top hat de 35 mm conform EN 50022
584,43 lei
Citel Descărcător cu 4 poli tip 2 (C) 275 V AC
Descărcător cu 4 poli tip 2 (C) pentru rețele TT de 230 V (3 + 1). Descărcător de supratensiune fără curent de urmărire a liniei pentru utilizare în subdistribuție. Mai ușor. Max. Curent de descărcare - Imax pe pol: 40 kA. Schimbarea modulului de protecție fără instrumente datorită construcției din 2 părți. Afișarea funcției/defectelor printr-o fereastră...
607,30 lei
Dehn Descărcător modular pentru sisteme monofazate de 230 V TN
Descărcător multipolar DEHNguard M, tip 2 conform EN 61643-11, format dintr-o piesă de bază și module de protecție introduse. Siguranță ridicată a dispozitivului prin monitorizarea descărcătoarelor Thermo-Dynamic-Control. Pentru a proteja sistemele consumatorilor de joasă tensiune de supratensiuni. Pentru utilizare în conceptul de zonă de protecție...
627,64 lei Preț obișnuit 849,64 lei
Eaton Descărcător de supratensiune EATON, 4p, 280VAC, 4x20kA
Pentru a proteja sistemele consumatorilor împotriva supratensiunilor tranzitorii cauzate de lovituri indirecte de trăsnet și operațiuni de comutare, clasa de testare II conform IEC 61643-1 + A1, SPD-tip T2 conform EN 61643-11, comutator auxiliar SPC-S-HK pentru raportare la distanță poate poate fi atașat, poate fi îmbinat cu toate dispozitivele de...
695,50 lei
Dehn Descărcător modular DEHNguard DG M TNS 275
Descărcător multipolar DEHNguard M, tip 2 conform EN 61643-11, format dintr-o piesă de bază și module de protecție introduse. Siguranță ridicată a dispozitivului prin monitorizarea descărcătorului cu control termodinamic. Pentru a proteja sistemele consumatorilor de joasă tensiune de supratensiuni. Pentru utilizare în conceptul de zonă de protecție...
727,13 lei Preț obișnuit 794,13 lei
ABB ABB Descărcător tip 2 pentru 230/400 V TT + TN-S
Dispozitivele de protecție la supratensiune SPD de tip 2 cu monitorizare termică QuickSafe® sunt utilizate pentru a proteja împotriva loviturilor indirecte de trăsnet și a supratensiunilor de comutare. Sunt instalate cât mai aproape de punctul de alimentare al sistemului electric. Toate OVR T2 constau dintr-o parte de bază și un modul de protecție...
825,22 lei
ABB Descărcător de supratensiune tip 2 pentru 230/400 V TN-S
Dispozitivele de protecție la supratensiune SPD de tip 2 cu monitorizare termică QuickSafe® sunt utilizate pentru a proteja împotriva loviturilor indirecte de trăsnet și a supratensiunilor de comutare. Sunt instalate cât mai aproape de punctul de alimentare al sistemului electric. Toate OVR T2 constau dintr-o parte de bază și un modul de protecție...
825,22 lei