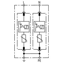
Descărcător modular pentru sisteme monofazate de 230 V TN
952200
Descărcător multipolar DEHNguard M, tip 2 conform EN 61643-11, format dintr-o piesă de bază și module de protecție introduse. Siguranță ridicată a dispozitivului prin monitorizarea descărcătoarelor Thermo-Dynamic-Control. Pentru a proteja sistemele consumatorilor de joasă tensiune de supratensiuni. Pentru utilizare în conceptul de zonă de protecție împotriva trăsnetului la limitele 0B - 1 și mai sus.

